// Linea Liviana //
Motores de arranque
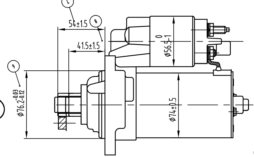
MB1311E
Información Técnica
| Volt | 12 |
| Dientes | 10 |
| Power | 1.1 KW |
AUDI 02E 911 023J
02E911023J | 02E911023JX | 063521214120 | 063721409010 | 115333 | 12109 | 19001N | 220665 | 25-3391 | 300.575.102 | 3045 | 42022290 | 88212772 | 8EA012527-961 | AEY2220 | BOSCH 0 986 022 290 | BOSCH 0001121412 | BOSCH 0001121413 | CS1409 | CST10412 | DRT2290 | EAA-122366 | HELLA 8EA 738 258-571 | LRS02220 | S-6267 | SG0693 | STB1409 | STR50315
A3 | ALTEA | GOLF V | GOLF VI | LEON | TOLEDO III | TOURAN | TT | VENTO III
// INGENIERÍA
Integrando el desarrollo y proceso de los productos.
// PERFECCIÓN TÉCNICA
Herramientas de diseño y laboratorios con equipamientos.
// CERTIFICACIONES
Homologados con Certificaciones ISO/TS 16949 e ISO 14000.






